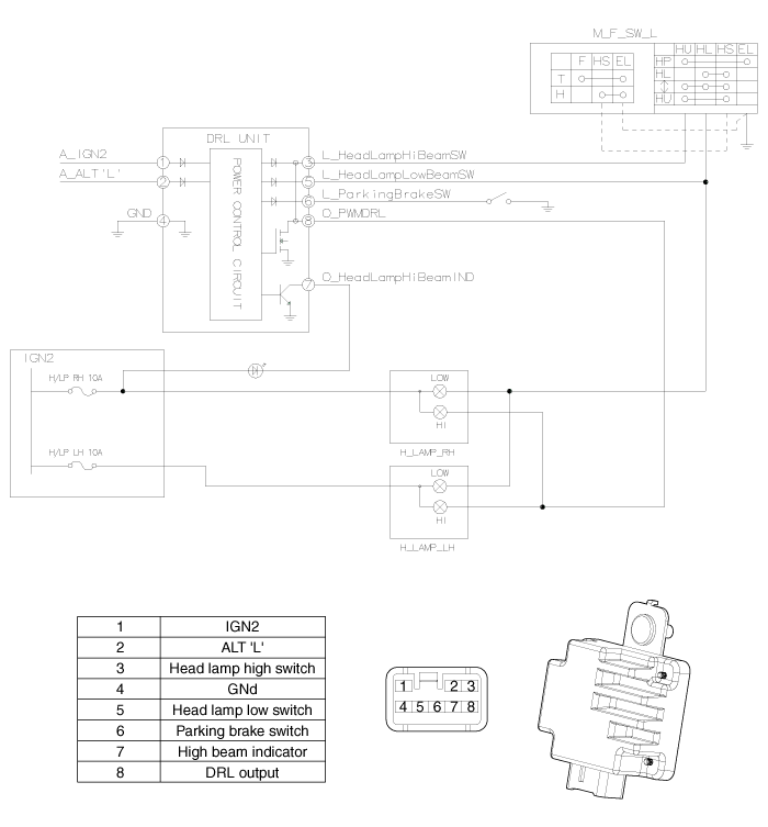
Hyundai Accent: Schematic DiagramsCircuit diagram

Shift Lever. Components and Components Location
Components
1. Shift lever knob
2. Shift lever assembly
3. Control cable
4. Shift lock cable assembly
5. Retainer
6. Brake pedal assembly
...
Fuel requirements
Your new vehicle is designed to use only unleaded fuel having a pump octane number
((R+M)/2) of 87 (Research Octane Number 91) or higher.
Your new vehicle is designed to obtain maximum performance ...
Knock Sensor (KS). Description
and Operation
Description
Knocking is a phenomenon characterized by undesirable vibration
and noise and can cause engine damage. Knock Sensor (KS) is installed on the
cylinder block and senses engine knoc ...